在鋁切割廢料下料時,通常都會采用刀型閘閥對其進行阻斷,下面我們來具體看看刀型閘閥的工作原理到底是怎樣的,它又解決了鋁切割時的哪些疑難問題呢?
刀型閘閥:超薄型的刀型閘閥以其體積小、流阻小、重量輕、易安裝、易拆卸等優點徹底解決了普通閘閥、平板閘閥、球閥、截止閥、調節閥等閥門,流阻大、安裝難、占地面積大等疑難問題。
刀型閘閥具有良好的剪切作用,適宜于漿料、粉粒料、纖維等難以控制的流體,廣泛應用于造紙、石化、礦山、排水等行業。具有多種閥座可供選擇,并且可依據現場控制需求,配備電動或氣動執行器,實現閥門的自動化操作。
某車間灰塵較大因刀型閘閥工作不流暢導致以下幾個問題:
1.刀型閘閥密封面研磨得不好;
2.密封圈與閥座、閥辦配合不嚴緊;
3.閥辦與閥桿連接不牢靠;
4.閥桿彎扭,使上下關閉件不對中;
5.關閉太快,密封面接觸不好或早已損壞;
6.塵土等雜質嵌入,或生產系統中有機械另件脫落堵住閥芯,使刀型閘閥不能關嚴;
7.表面光滑度不夠;
8.或者有廢料卡在滑軌;
因此使用及清理刀型閘閥時應注意:
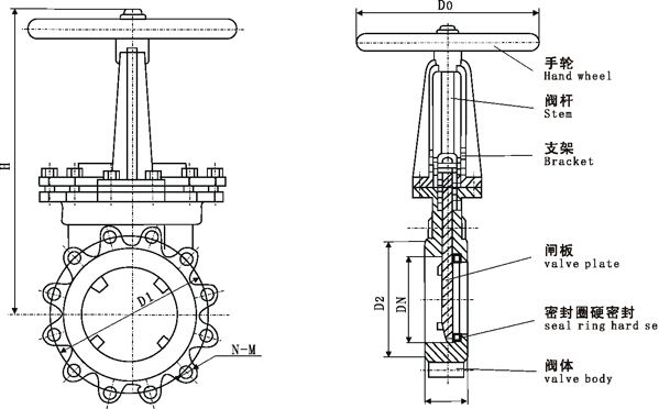
1.刀型閘閥的啟閉件是閘板,閘板的運動方向與流體方向相垂直,刀型閘閥只能作全開和全關,不能作調節和節流。
2.閘板有兩個密封面,常用的模式閘板閥的兩個密封面形成楔形、楔形角隨閥門參數而異,通常為50,楔式刀型閘閥的閘板可以做成一個整體,叫做剛性閘板。
3.也可以做成能產生微量變形的閘板,其工藝性,彌補密封面角度在加工過程中產生的偏差,這種閘板叫做彈性閘板刀型閘閥關閉時,密封面可以只依靠介質壓力來密封,即依靠介質壓力將閘板的密封面壓向另一側的閥座來保證密封面的密封,這就是自密封。
4.大部分刀型閘閥是采用強制密封的,即閥門關閉時靠外力強行將閘板壓向閥座,以保證密封面的密封性。
5.使用柴油清洗灰塵
6.偶爾使用少量機油(只能表面稍微有點久可以)機油粘性太大容易積累灰塵;
7.使用機油過程盡量注意不要有大異物帶入。
鑫藍環保擁有設計、制造和熟練安裝隊伍,工藝設計合理,成本控制好,設備回購率達業務量的60%,我們用真誠回報客戶的信任!
詳情請撥打24小時技術服務熱線:4008-616-212
王經理手機(微信同號):15962527707
![]()

鑫藍環??萍迹ɡド剑┯邢薰?/strong>
服務熱線:4008-616-212
電話:0512-55186759
E-mail:ycw26688@126.com
地址:昆山市千燈鎮紅星路20號
